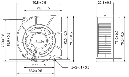
参考尺寸 ——————————————————————————— | 特性曲线 ———————————————————————————— |
| 风压(mmH2O) | |
![]() | ![]() |
单位(mm) | 风量(CFM) |
产品性能 ——————————————————————————— | 产品材质 ———————————————————————————— |
绝缘阻抗 :DC500V 兆欧表测量,10MΩ以上 | 上壳 :PBT塑料(黑色)UL94V-0 |
绝缘耐压 :AC500V 1分钟 | 下壳 :PBT塑料(黑色)UL94V-0 |
绝缘等级 :Class B | 叶轮 :PBT塑料(黑色)UL94V-0 |
容许环境温度范围 : 工作时 : -10℃ ~ +70℃(液压) | 轴承 :滚珠轴承、液压轴承 |
-20℃ ~ +80℃(滚珠) | 导线 :UL1007 AWG26 红:+ 黑:- |
存放时 : -20℃ ~ +75℃(液压) | * 其他要求请另行咨询。 |
-40℃ ~ +85℃(滚珠) | |
预期寿命 ——————————————————————————— | 行业应用 ———————————————————————————— |
预期寿命 : 40℃ 30, 000小时(液压) | 适用于 : 投影仪等。 |
40℃ 50, 000小时(滚珠) | |
※正常使用状态下 | |
产品规格 ————————————————————————————————————————————————————————————— | |
| 型号 | 额定电压 | 电压范围 | 转速 | 电流 | 功率 | 风量 | 风压 | 噪音 | 曲线 | 重量 | ||
| VDC | VDC | RPM | A | W | CFM | M3/h | mmH2O | InchH2O | dBA | 颜色 | g | |
| FD8030B4U | 24 | 12~26.4 | 3500 | 0.16 | 3.84 | 21.03 | 35.73 | 19.87 | 0.78 | 42.4 | 黑 | 70 |
| FD8030B4H | 3000 | 0.12 | 2.88 | 18.06 | 30.68 | 13.69 | 0.54 | 38.6 | 红 | |||
| FD8030B4M | 2500 | 0.08 | 1.92 | 14.77 | 25.09 | 8.24 | 0.32 | 33.1 | 绿 | |||
| FD8030B4L | 2000 | 0.05 | 1.20 | 11.95 | 20.30 | 5.36 | 0.21 | 29.2 | 蓝 | |||
| FD8030B2U | 12 | 6~14 | 3500 | 0.40 | 4.80 | 21.03 | 35.73 | 19.87 | 0.78 | 42.4 | 黑 | |
| FD8030B2H | 3000 | 0.30 | 3.60 | 18.06 | 30.68 | 13.69 | 0.54 | 38.6 | 红 | |||
| FD8030B2M | 2500 | 0.18 | 2.16 | 14.77 | 25.09 | 8.24 | 0.32 | 33.1 | 绿 | |||
| FD8030B2L | 2000 | 0.14 | 1.68 | 11.95 | 20.30 | 5.36 | 0.21 | 29.2 | 蓝 | |||
| FD8030B1U | 5 | 3.5~5.5 | 3500 | 0.70 | 3.50 | 21.03 | 35.73 | 19.87 | 0.78 | 42.4 | 黑 | |
| FD8030B1H | 3000 | 0.50 | 2.50 | 18.06 | 30.68 | 13.69 | 0.54 | 38.6 | 红 | |||
| FD8030B1M | 2500 | 0.30 | 1.50 | 14.77 | 25.09 | 8.24 | 0.32 | 33.1 | 绿 | |||
| FD8030B1L | 2000 | 0.20 | 1.00 | 11.95 | 20.30 | 5.36 | 0.21 | 29.2 | 蓝 | |||
· 如需下载此产品参数请在官网下载中心获取。
| SH1.0端子 ———————————————— | MX1.25端子 ——————————————— | ZH1.5端子 ———————————————— |
![]() | ![]() | ![]() |
| PH2.0端子 ———————————————— | XH2.5端子 ———————————————— | 2510端子 ————————————————— |
![]() | ![]() | ![]() |
| 杜邦2.5端子 ——————————————— | SM2.5端子 ———————————————— | EH2.5端子 ———————————————— |
![]() | ![]() | ![]() |
| * 以上端子选择可能会产生附加费用以及装配变更,如所需端子未在列表中,请咨询我司专业人员。 | ||
| FG测速功能 ———————————————————————————————————————————————————————————— | |
| |
| 说明:速度传感器利用霍尔传感器感应信号加以输出,风扇转动一圈,传感器输出两个完整的脉冲(见上图右侧波形图,即图中T0即为风扇转动一圈)。用以输出到系统中来检测风扇转速。 | |
| RD报警功能 ———————————————————————————————————————————————————————————— | |
| |
说明:锁死传感器使用频率较低,其工作状态请见波形图。在正常通电状态下:风扇正常运转时,传感器输出低电压(即集电极开启);当风扇停转后,传感器输出高电压(即集电极关闭)。 | |
PWM调速功能 —————————————————————————————————————————————————————————— | |
| |
说明:PWM,中文名为“脉宽调制”。即通过控制电路在一个固定频率的“开”和“关”时间(这种“时间”叫做占空比)来形成波形如右图的信号,通过改变输入的PWM信号的占空比,我们可以在一定范围内来控制风扇的转速,从而达到另风扇“按需调速”。 * 以上功能选择会产生附加费用以及装配变更。 |