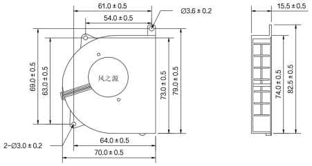
参考尺寸 ——————————————————————————— | 特性曲线 ———————————————————————————— |
| 风压(mmH2O) | |
![]() | ![]() |
单位(mm) | 风量(CFM) |
产品性能 ——————————————————————————— | 产品材质 ———————————————————————————— |
绝缘阻抗 :DC500V 兆欧表测量,10MΩ以上 | 上壳 :SECC镀锌钢板 |
绝缘耐压 :AC500V 1分钟 | 下壳 :PBT塑料(黑色)UL94V-0 |
绝缘等级 :Class B | 叶轮 :PBT塑料(黑色)UL94V-0 |
容许环境温度范围 : 工作时 : -10℃ ~ +70℃(液压) | 轴承 :液压轴承 |
导线 :UL1061 AWG26 红:+ 黑:- | |
存放时 : -20℃ ~ +75℃(液压) | * 其他要求请另行咨询。 |
预期寿命 ——————————————————————————— | 行业应用 ———————————————————————————— |
预期寿命 : 40℃ 30, 000小时(液压) | 适用于 : 主板、投影仪等。 |
※正常使用状态下 | |
产品规格 ————————————————————————————————————————————————————————————— | |
| 型号 | 额定电压 | 电压范围 | 转速 | 电流 | 功率 | 风量 | 风压 | 噪音 | 曲线 | 重量 | ||
| VDC | VDC | RPM | A | W | CFM | M3/h | mmH2O | InchH2O | dBA | 颜色 | g | |
| FD7015S4U | 24 | 12~26.4 | 4000 | 0.14 | 3.36 | 9.64 | 16.38 | 17.15 | 0.68 | 42.5 | 黑 | 42 |
| FD7015S4H | 3500 | 0.10 | 2.40 | 8.63 | 14.66 | 13.20 | 0.52 | 39.0 | 红 | |||
| FD7015S4M | 3000 | 0.07 | 1.68 | 7.20 | 12.23 | 8.73 | 0.34 | 35.4 | 绿 | |||
| FD7015S4L | 2500 | 0.04 | 0.96 | 6.08 | 10.33 | 5.76 | 0.23 | 30.3 | 蓝 | |||
| FD7015S2U | 12 | 6~14 | 4000 | 0.30 | 3.60 | 9.64 | 16.38 | 17.15 | 0.68 | 42.5 | 黑 | |
| FD7015S2H | 3500 | 0.20 | 2.40 | 8.63 | 14.66 | 13.20 | 0.52 | 39.0 | 红 | |||
| FD7015S2M | 3000 | 0.12 | 1.44 | 7.20 | 12.23 | 8.73 | 0.34 | 35.4 | 绿 | |||
| FD7015S2L | 2500 | 0.10 | 1.20 | 6.08 | 10.33 | 5.76 | 0.23 | 30.3 | 蓝 | |||
| FD7015S1U | 5 | 3.5~5.5 | 4000 | 0.40 | 2.00 | 9.64 | 16.38 | 17.15 | 0.68 | 42.5 | 黑 | |
| FD7015S1H | 3500 | 0.32 | 1.60 | 8.63 | 14.66 | 13.20 | 0.52 | 39.0 | 红 | |||
| FD7015S1M | 3000 | 0.24 | 1.20 | 7.20 | 12.23 | 8.73 | 0.34 | 35.4 | 绿 | |||
| FD7015S1L | 2500 | 0.18 | 0.90 | 6.08 | 10.33 | 5.76 | 0.23 | 30.3 | 蓝 | |||
· 如需下载此产品参数请在官网下载中心获取。
| SH1.0端子 ———————————————— | MX1.25端子 ——————————————— | ZH1.5端子 ———————————————— |
![]() | ![]() | ![]() |
| PH2.0端子 ———————————————— | XH2.5端子 ———————————————— | 2510端子 ————————————————— |
![]() | ![]() | ![]() |
| 杜邦2.5端子 ——————————————— | SM2.5端子 ———————————————— | EH2.5端子 ———————————————— |
![]() | ![]() | ![]() |
| * 以上端子选择可能会产生附加费用以及装配变更,如所需端子未在列表中,请咨询我司专业人员。 | ||
| FG测速功能 ———————————————————————————————————————————————————————————— | |
| |
| 说明:速度传感器利用霍尔传感器感应信号加以输出,风扇转动一圈,传感器输出两个完整的脉冲(见上图右侧波形图,即图中T0即为风扇转动一圈)。用以输出到系统中来检测风扇转速。 | |
| RD报警功能 ———————————————————————————————————————————————————————————— | |
| |
说明:锁死传感器使用频率较低,其工作状态请见波形图。在正常通电状态下:风扇正常运转时,传感器输出低电压(即集电极开启);当风扇停转后,传感器输出高电压(即集电极关闭)。 | |
PWM调速功能 —————————————————————————————————————————————————————————— | |
| |
说明:PWM,中文名为“脉宽调制”。即通过控制电路在一个固定频率的“开”和“关”时间(这种“时间”叫做占空比)来形成波形如右图的信号,通过改变输入的PWM信号的占空比,我们可以在一定范围内来控制风扇的转速,从而达到另风扇“按需调速”。 * 以上功能选择会产生附加费用以及装配变更。 |